Product description
Sádrokartonový modul s integrovaným LED profilem DL 2-3 track T pro stropy a stěny
Tento modul kombinuje sádrokartonovou desku s integrovaným hliníkovým profilem pro LED pásky a je určen k zapuštěné instalaci do stropních nebo stěnových konstrukcí. Umožňuje vytvořit čisté světelné linie bez viditelných hran, což je vhodné pro architektonické projekty s důrazem na detail a světelnou kontinuitu. Hlavní roli hraje v návrhu nepřímého nebo akcentního osvětlení, které podtrhuje liniový charakter prostoru.
Kód / označení výrobce: Profil pro pásky DL 2-3 track T modul sádrokarton - TLG
Design a konstrukce
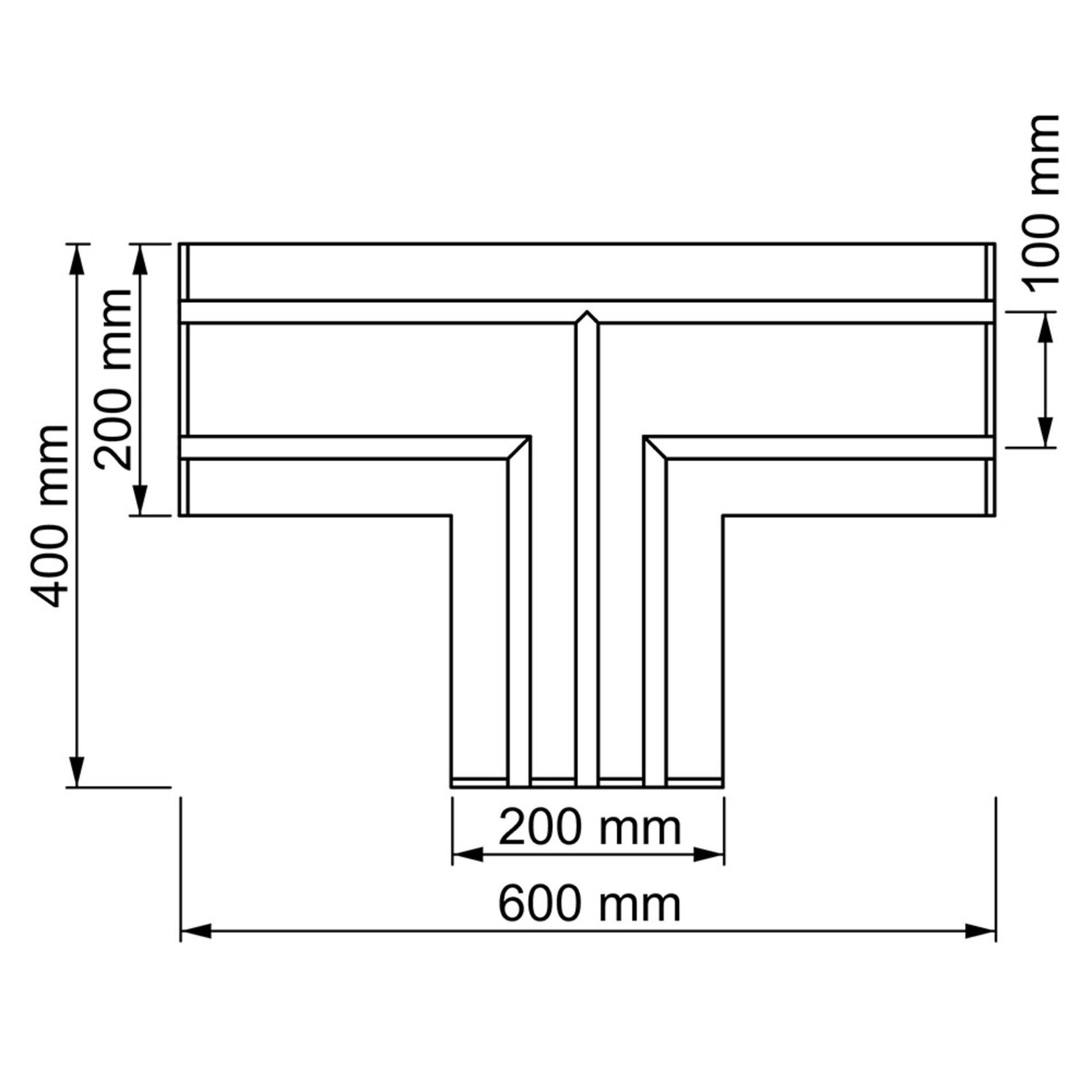
Modul tvoří sádrokartonová deska o tloušťce 12,5 mm s přesně zapuštěným hliníkovým profilem ve tvaru T. Povrch je připraven pro přímé napojení na okolní konstrukci a následné přetmelení, což umožňuje bezproblémové začlenění do stropů i stěn. Zelené provedení sádrokartonu je vhodné pro běžné interiérové aplikace.
Charakter světla
Profil je určen pro instalaci LED pásků, které vytvářejí liniové světelné efekty. Výsledné světlo je rozptýlené a slouží převážně jako akcentní nebo orientační osvětlení. V závislosti na zvoleném LED pásku lze dosáhnout různých světelných atmosfér - od jemného podsvícení až po výrazné světelné linky. Modul není určen jako hlavní zdroj světla, ale pro zvýraznění architektonických linií a zónování prostoru.
Typické použití
Tento systém se často využívá v rezidenčních interiérech, hotelových chodbách, recepcích, kancelářských prostorech nebo veřejných budovách, kde je požadováno liniové světelné řešení integrované do sádrokartonových konstrukcí. Uplatnění najde také v galeriích nebo showroomových expozicích pro zvýraznění směru pohybu nebo rozdělení funkčních zón.
Technické vlastnosti
- Materiál: sádra, hliník
- Výška: 12,5 mm
- Šířka: 400 mm
- Délka: 600 mm
- Certifikace CE
- Záruka: 5 let
Profil pro pásky DL 2-3 track T modul sádrokarton - TLG
Skladem u výrobce
Termín dodání: 2 týdny
Sádrokartonový modul s integrovaným LED profilem DL 2-3 track T pro stropy a stěnyTento modul kombinuje sádrokartonovou desku s integrovaným hliníkovým profilem pro LED pásky a je… Read more
Order number: SLC PE1215
Manufacturer: TLG
EAN: 7070938074469
Parameters
| Výška v mm | 12 |
| Šířka v mm | 400 |
| Délka v mm | 600 |
| Materiál | sádra/hliník |
| Kolekce | DL |
| Výrobce | TLG |
| Výroba na zakázku | ano |
Máte dotaz k tomuto produktu? Neváhejte nás kontaktovat a my se Vám ozveme a rádi poradíme.
Zavolejte nám
Potřebujete poradit ihned?
Neváhejte zavolat, rádi Vám pomůžeme i telefonicky.